CTX15-3P-R
| Manufacturer: | Eaton-Electronics Division |
In Stock 0 pcs
|
|
|---|---|---|---|
| Datasheet: | CTX15-3P-R | ||
| Product Category: | Arrays, Signal Transformers | Reference Price (In US Dollars) | 1pcs |
| Description: | INDUCT ARRAY 2 COIL 14.5UH SMD | $2.06 | |
Fill out the below form and we will contact you as soon as possible.
Product Parameter
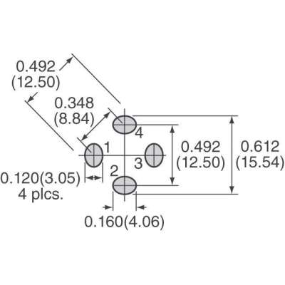
- Height
- 0.190" (4.83mm)
- Series
- Econo-Pac™
- Ratings
- -
- Packaging
- Tape & Reel (TR)
- Shielding
- Unshielded
- Tolerance
- ±20%
- Part Status
- Active
- Mounting Type
- Surface Mount
- Package / Case
- Nonstandard
- Number of Coils
- 2
- Size / Dimension
- 0.550" L x 0.550" W (13.97mm x 13.97mm)
- Operating Temperature
- -40°C ~ 85°C
- Current Rating - Series
- 1.1A
- Current Rating - Parallel
- 2.2A
- DC Resistance (DCR) - Series
- 198mOhm Max
- DC Resistance (DCR) - Parallel
- 50mOhm Max
- Inductance - Connected In Series
- 58.02µH
- Inductance - Connected In Parallel
- 14.5µH
Lanka Micro